首页 > 供求信息 > 列表

虹润NHR-DN30/DN40系列导轨式模糊PID温控器/60段程序温控器

2016-11-10 10:07:11  福建顺昌虹润精密仪器有限公司  发布

概述   
    NHR-DN30/DN40系列导轨式模糊PID温控器/60段程序温控器采用了表面贴装工艺,全自动贴片机生产,具有很强的抗干扰能力。本仪表采用模糊PID算式,仪表启动自整定功能,可以根据被控对象的特性,自动寻找最优参数以达到很好的控制效果,无需人工整定参数,控温精度基本达±0.5℃,无超调、欠调,性价比高。
    ★单通道输入,双屏LED数码显示。
    ★具备33种信号输入功能,可任意选择输入信号类型,测量精度为0.3%FS。
    ★热电阻热电偶信号分辨率可切换:1℃或0.1℃。
    ★具备上下限报警/偏差报警功能,带LED报警灯指示。
    ★带PID参数自整定功能,控制输出手动/自动无扰切换功能,控制输出有多种方式可选,控制准确。
    ★程序段控制曲线多达60段,可通过面板按键实现手动“启动”、“停止”、“清零”、“步进”等功能。
    ★具有掉电自启动功能,从上电测量值与设定值相同点的升温段开始升温,并按原设定曲线执行控制。
    ★支持RS485通讯接口,采用标准MODBUS RTU通讯协议。
    ★带DC24V配电输出,为现场变送器配电。
    ★标准的35mmDIN导轨卡式安装。
 主要技术参数
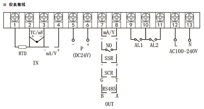
1、输入信号:电压、电流、热电阻、热电偶
2、输出信号:模拟输出:4~20mA、1~5V、0~10mA、0~5V、0~20mA、0~10V
             报警输出:继电器常开触点输出,触点容量:AC220V/2A(阻性负载)
             馈电输出:DC24V±1,负载电流≤30mA
             通讯输出:RS485通讯接口
3、特    性:测量精度:0.3%FS±1字
             分 辨 率:±1.0字
             显示范围:-1999~9999
             安装方式:35mmDIN导轨卡式安装,安装时请注意卡位稳定、牢固,尽可能垂直安装
4、使用环境:环境温度:0℃~50℃
             相对湿度:25%~85% RH,避免强腐蚀气体

             供电电压:AC100~240V(50-60Hz)


    分享到:
暂无评论

更多促销产品